Vergroten


OP=OP
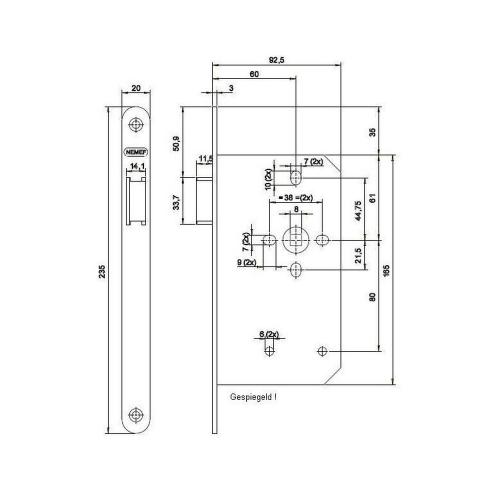
Loopslot Nemef din rechts
Artikelnummer:320537
Klant worden bij Isero? Registreren >
- De originele NEMEF, zonder sluitplaat geleverd
- Standaard groot utiliteitsslot met afgeronde gelakte voorplaat
- Voor RVS voorplaat artikel: 995176


























